Our site use cookies. If you continue to browse, you agree to use them.

MPA

Heads configurator

Type

Input shank

Output tool-holder

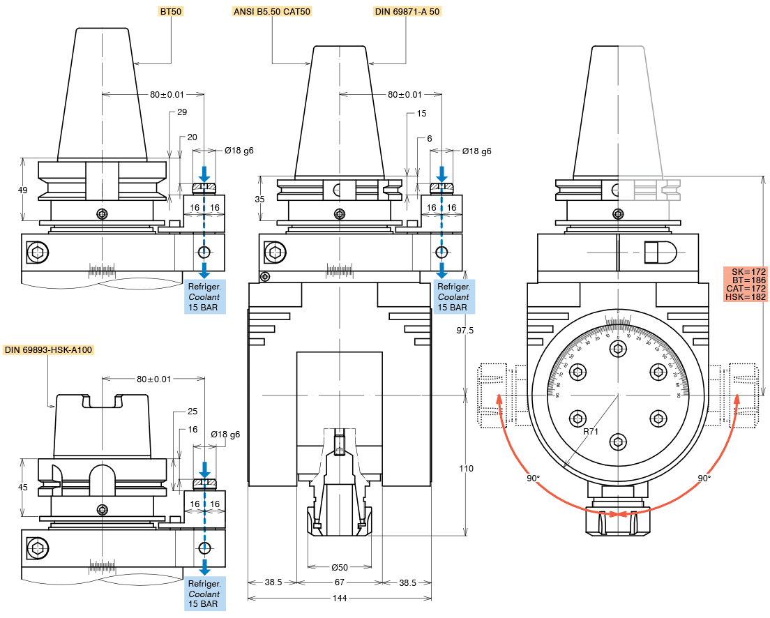
T32 SK-BT-CAT50 HSK100

Drilling

Ø20

Tapping

M16

Loading

ATC

TECHNICAL FEATURES

Type T32-SK50 Code 124910.100
Type T32-BT50 Code 124914.100
Type T32-CAT50 Code 124987.100
Type T32-HSK100 Code 124930.100
Tool-holder for collet ER 32
Input shank rotation DX / RH
Output spindle rotation DX / RH
Transmission ratio 1:1
Max speed 5000 rpm
Torque 30 Nm
Max axial load 1200 N
Weight 17 Kg
Grease lubricated Klüber Isoflex NBU 15
OPTIONS

ER32 collet DIN 6499/B 411232.100
Tapping collet ET-1-32 with compensation 401232.200
Tapping collet ER32 with square 411232.200
Weldon spindle type  
ABS license Komet spindle type  
DIN 69893-HSK spindle type  
Pin pitch 110 mm  
STANDARD EQUIPMENT

Standard stop-block 311201.025
ER nut  
Clamping wrench  
Grease tube  
Storage case  
FaLang translation system by Faboba