Drilling
Ø5
Tapping
M4
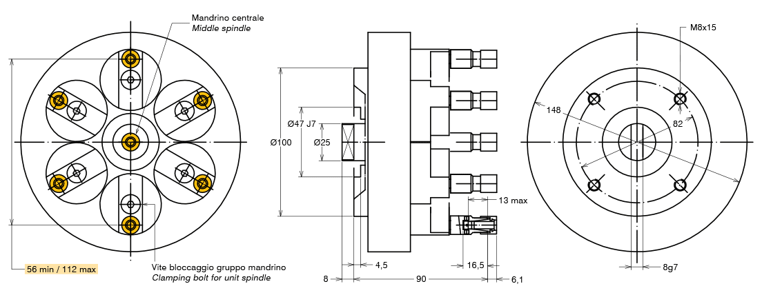
Flange mounted
MTC

TECHNICAL FEATURES
| Type | MINI 7 | Code | 111852.100 |
| Tool-holder for collet | ER 8 |
| Transmission ratio | 1:1 |
| Max speed | 3500 rpm |
| Spindle max power | 0.18 Kw |
| Max axial load | 195 N |
| Grease lubricated |
OPTIONS
| ER8 collet DIN 6499/B | 411208.100 |
| Quill clamp | |
| Driver | |
| Joint | |
| Clamping wrench | 410208.000 |
