Drilling
Ø7
Tapping
M6
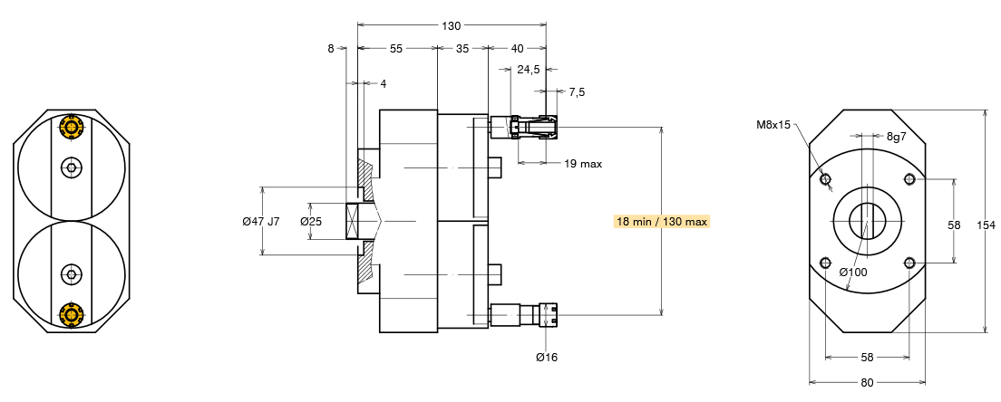
Flange mounted
MTC

TECHNICAL FEATURES
| Type | 801 | Code | 111801.100 |
| Tool-holder for collet | ER 11 |
| Transmission ratio | 1:1 |
| Max speed | 3000 rpm |
| Spindle max power | 0.34 Kw |
| Max axial load | 490 N |
| Weight | 2.5 Kg |
| Grease lubricated |
OPTIONS
| ER11 collet DIN 6499/B | 411211.100 |
| Quill clamp | 410106.000 |
| Driver | |
| Joint | |
| Clamping wrench | 410211.000 |
