Flange mounted
MTC

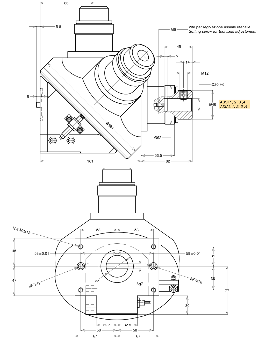
TECHNICAL FEATURES
| Type | R16-4 | Code | 106002.100 |
| Spindle | Weldon Ø16 - HSK - ABS |
| Main drive rotation | DX / RH |
| Output spindle rotation | DX / RH |
| Transmission ratio | 1:1 |
| Max speed | 6000 rpm |
| Max axial load | 1000 N |
| Weight | 22 Kg |
| Grease lubricated | Kluber Isoflex NBU 15 |
