Drilling
Ø13
Tapping
M10
Flange mounted
MTC

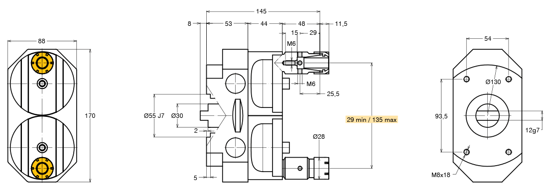
TECHNICAL FEATURES
| Type | 822 | Code | 111844.100 |
| Tool-holder for collet | ER 20 |
| Transmission ratio | 1:1 |
| Max speed | 3000 rpm |
| Spindle max power | 1.5 Kw |
| Max axial load | 1500 N |
| Weight | 3.6 Kg |
| Grease lubricated |
OPTIONS
| ER20 collet DIN 6499/B | 411220.100 |
| Quill clamp | 410130.000 |
| Driver | |
| Joint | |
| Clamping wrench | 410220.000 |
