Drilling
Ø16
Tapping
M12
Flange mounted
MTC

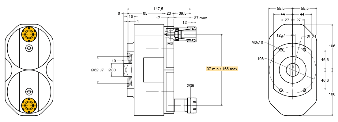
TECHNICAL FEATURES
| Type | 115P | Code | 111901.100 |
| Tool-holder for collet | ER 25 |
| Transmission ratio | 1:1 |
| Max speed | 2500 rpm |
| Spindle max power | 1.1 Kw |
| Max axial load | 1135 N |
| Weight | 6.3 Kg |
| Grease lubricated |
OPTIONS
| ER25 collet DIN 6499/B | 411225.100 |
| Quill clamp | 410107.000 |
| Driver | |
| Joint | |
| Clamping wrench | 410225.000 |
