Our site use cookies. If you continue to browse, you agree to use them.

MPA

Heads configurator

Type

Input shank

Output tool-holder

129P

Drilling

Ø16

Tapping

M12

Flange mounted

MTC

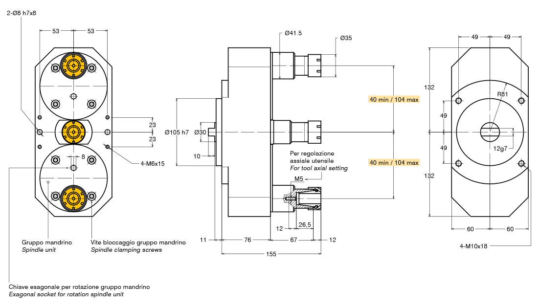
TECHNICAL FEATURES

Type 129P Code 111910.100
Tool-holder for collet ER 25
Transmission ratio 1:1
Max speed 3000 rpm
Torque 28 Nm
Max axial load 2390 N
Weight 8.5 Kg
Grease lubricated  
OPTIONS

ER25 collet DIN 6499/B 411225.100
Tapping collet ET-1-25 with compensation 401225.200
Tapping collet ER25 with square 411225.200
Quill clamp  
Driver  
Joint  
STANDARD EQUIPMENT

Clamping wrench  
FaLang translation system by Faboba