Our site use cookies. If you continue to browse, you agree to use them.

MPA

Heads configurator

Type

Input shank

Output tool-holder

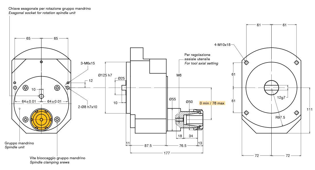
135PM

Drilling

Ø20

Tapping

M14

Flange mounted

MTC

TECHNICAL FEATURES

Type 135PM Code 111916.100
Tool-holder for collet ER 32
Transmission ratio 1:1
Max speed 3000 rpm
Torque 42 Nm
Max axial load 2350 N
Weight 10 Kg
Grease lubricated  
OPTIONS

ER32 collet DIN 6499/B 411232.100
Tapping collet ET-1-32 with compensation 401232.200
Tapping collet ER32 with square 411232.200
Quill clamp  
Driver  
Joint  
STANDARD EQUIPMENT

Clamping wrench  
FaLang translation system by Faboba