Clamping
Ø13
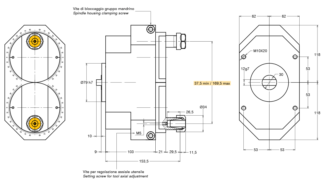
Flange mounted
MTC

TECHNICAL FEATURES
| Type | 902 | Code | 131902.100 |
| Tool-holder for collet | ER 20 |
| Main drive rotation | DX / RH |
| Output spindle rotation | DX-SX / RH-LH |
| Transmission ratio | 1:1 |
| Max speed | 2000 rpm |
| Spindle max torque | 15 Nm |
| Max axial load | 1000 N |
| Weight | 9.5 Kg |
| Grease lubricated | Klüber Isoflex NBU 15 |
OPTIONS
| ER20 collet DIN 6499/B | 411220.100 |
| Quill clamp | 410126.000 |
| Driver | |
| Joint |
