Clamping
Ø13
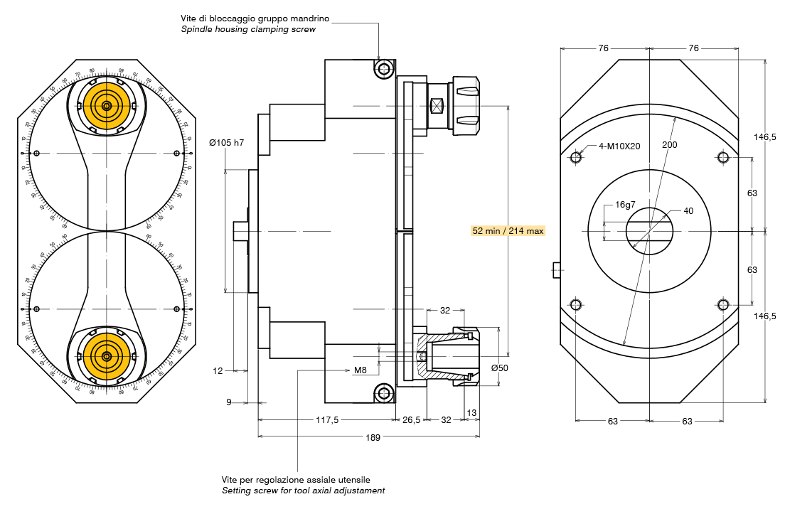
Flange mounted
MTC

TECHNICAL FEATURES
| Type | 903 | Code | 131903.100 |
| Tool-holder for collet | ER 32 |
| Main drive rotation | DX / RH |
| Output spindle rotation | DX-SX / RH-LH |
| Transmission ratio | 1:1 |
| Max speed | 2000 rpm |
| Spindle max torque | 30 Nm |
| Max axial load | 2500 N |
| Weight | 18.3 Kg |
| Grease lubricated | Klüber Isoflex NBU 15 |
OPTIONS
| ER32 collet DIN 6499/B | 411232.100 |
| Quill clamp | 410135.000 |
| Driver | |
| Joint | |
| Clamping wrench | 410332.000 |
