Drilling
Ø13
Tapping
M10
Loading
ATC

TECHNICAL FEATURES
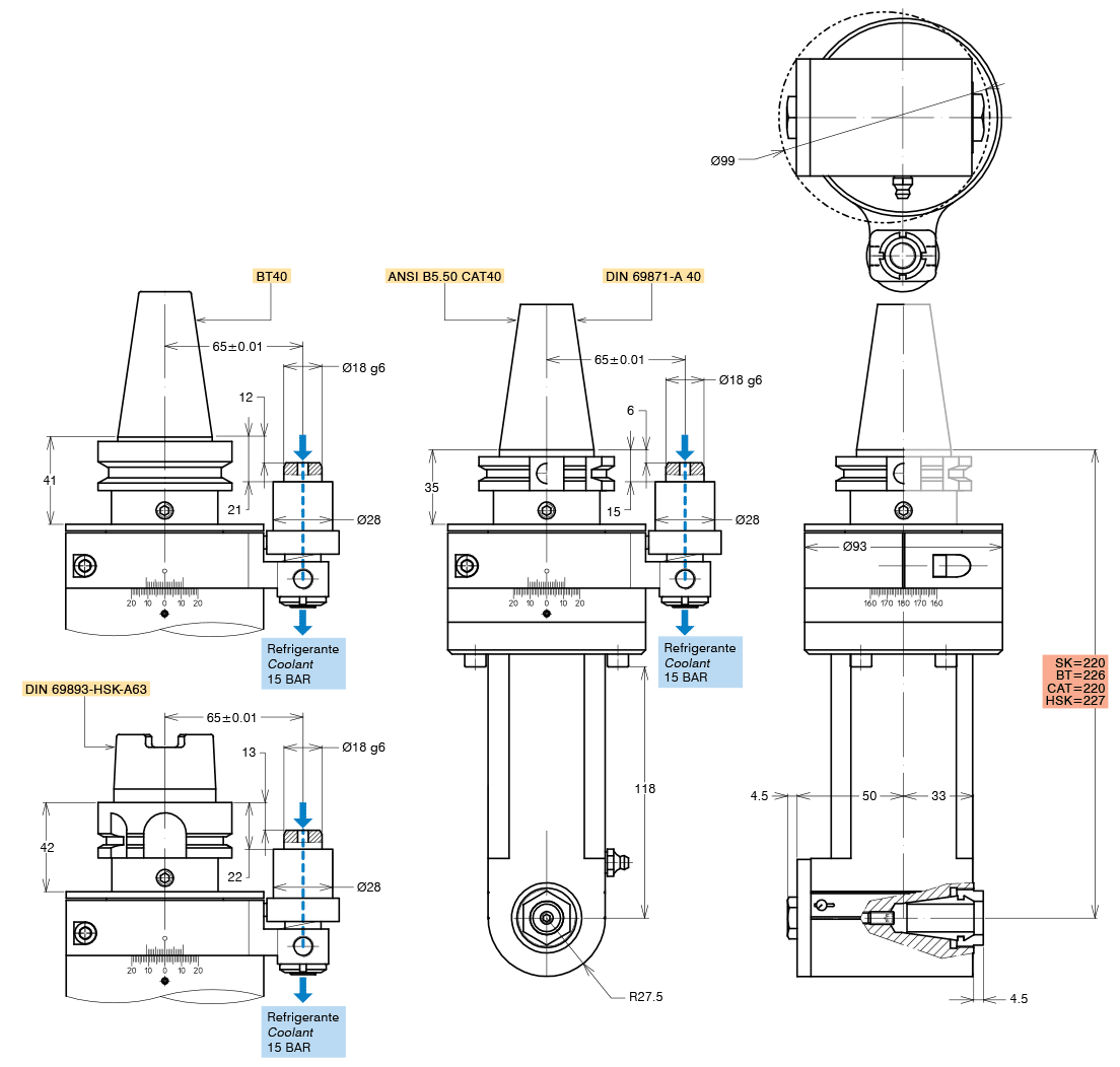
| Type | A20-SK40-E220 | Code | 124923.100-E220 |
| Type | A20-BT40-D-E226 | Code | 124925.100-E226 |
| Type | A20-CAT40-E220 | Code | 124995.100-E220 |
| Type | A20-HSK63-E227 | Code | 124939.100-E227 |
| Tool-holder for collet | ER 20 |
| Input shank rotation | SX / LH |
| Output spindle rotation | DX / RH |
| Transmission ratio | 1:1 |
| Max speed | 6000 rpm |
| Torque | 18 Nm |
| Max axial load | 230 N |
| Weight | 5.5 Kg |
| Grease lubricated | Kluber Isoflex NBU 15 |
OPTIONS
STANDARD EQUIPMENT
| ER20 collet DIN 6499/B | 411220.100 |
| Tapping collet ET-1-20 with compensation | 401220.200 |
| Tapping collet ER20 with square | 411220.200 |
| Weldon spindle type | |
| ABS license Komet spindle type | |
| Pin pitch 80 mm |
| Standard stop-block | 311201.025 |
| ER nut | |
| Clamping wrench | |
| Grease tube | |
| Storage case |
