Drilling
Ø20
Tapping
M16
Loading
ATC

TECHNICAL FEATURES
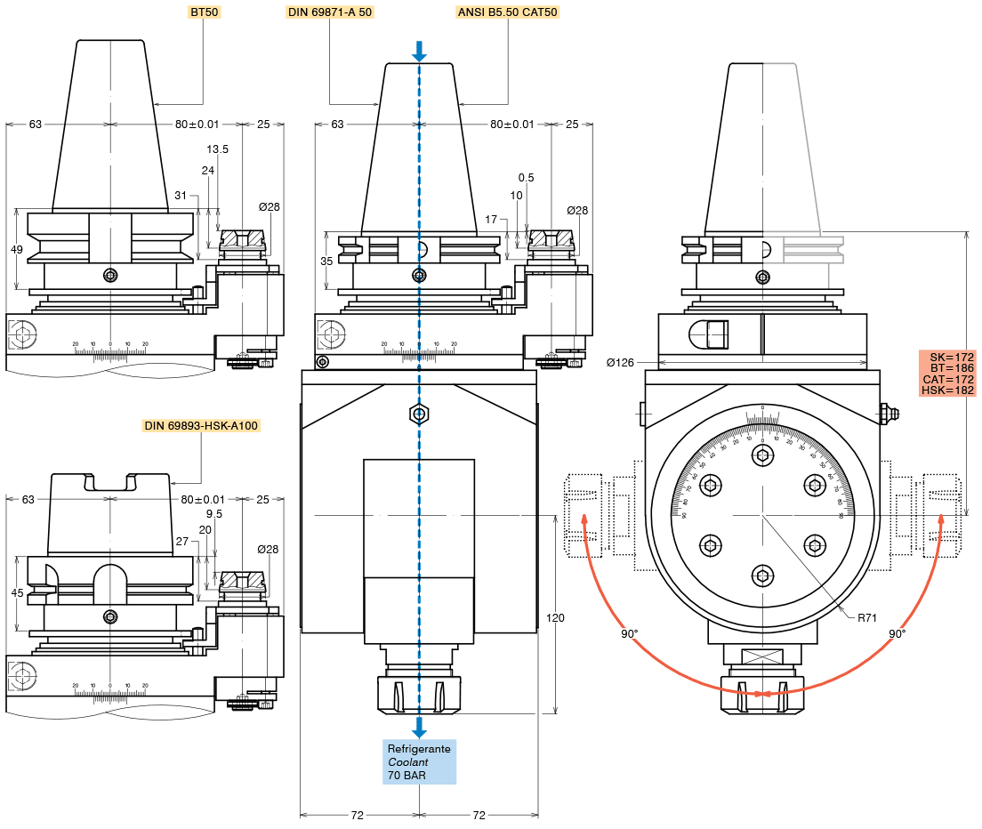
| Type | T32-SK50-R | Code | 1249123.100 |
| Type | T32-BT50-R | Code | 1249124.100 |
| Type | T32-CAT50-R | Code | 1249125.100 |
| Type | T32-HSK100-R | Code | 1249126.100 |
| Tool-holder for collet | ER 32 |
| Input shank rotation | DX / RH |
| Output spindle rotation | DX / RH |
| Transmission ratio | 1:1 |
| Max speed | 3500 rpm |
| Torque | 15 Nm |
| Max axial load | 1700 N |
| Weight | 18 Kg |
| Grease lubricated | Klüber Isoflex NBU 15 |
OPTIONS
STANDARD EQUIPMENT
| ER32 collet DIN 6499/B | 411232.100 |
| Tapping collet ET-1-32 with compensation | 401232.200 |
| Tapping collet ER32 with square | 411232.200 |
| Weldon spindle type | |
| ABS license Komet spindle type | |
| DIN 69893-HSK spindle type | |
| Pin pitch 110 mm |
| Standard stop-block | 311201.025 |
| ER nut | |
| Clamping wrench | |
| Grease tube | |
| Storage case |
