Drilling
Ø20
Tapping
M16
Loading
ATC

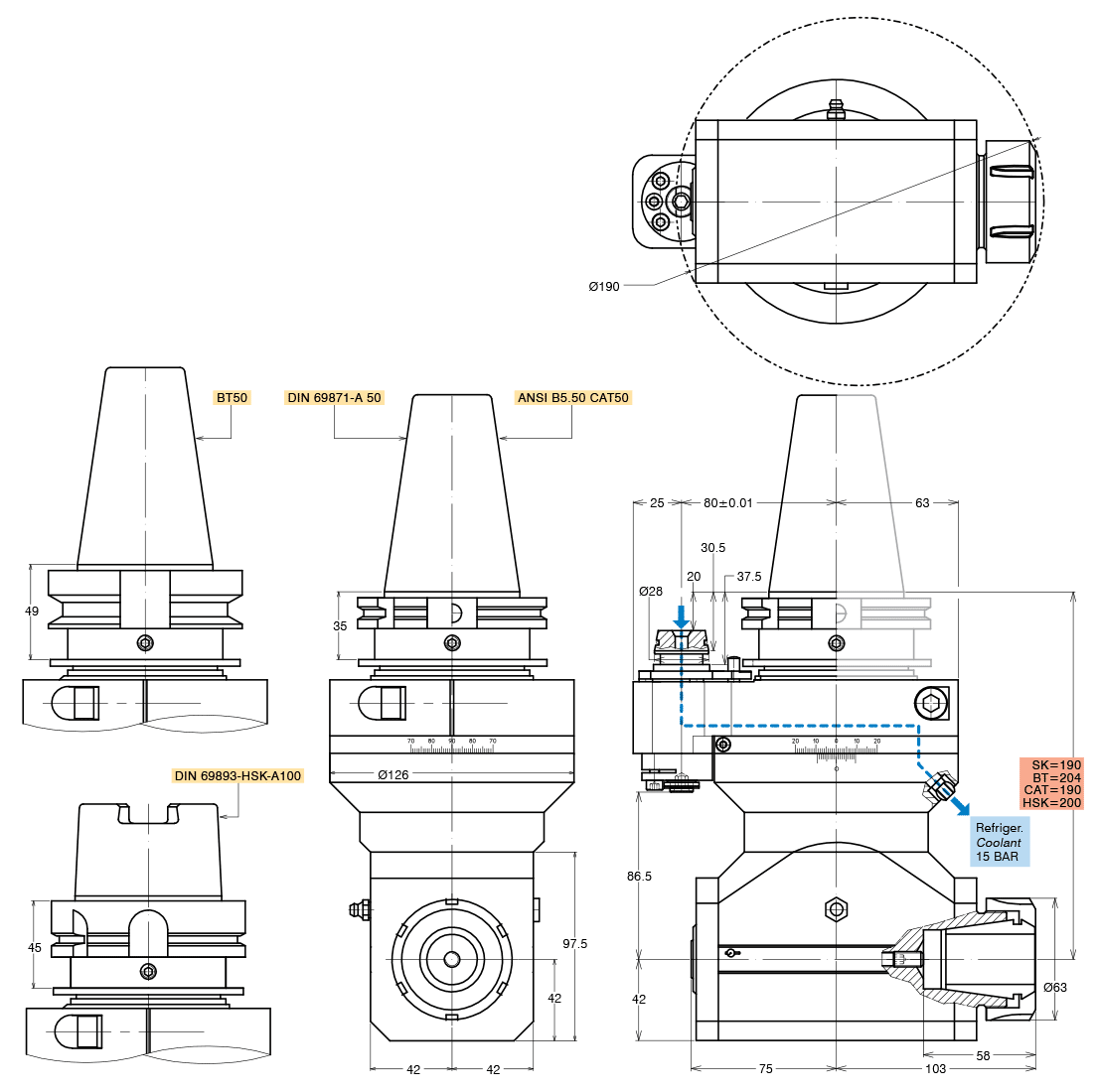
TECHNICAL FEATURES
| Type | A32CN-C6 | Code | 124998.100 |
| Tool-holder for collet | ER 32 |
| Input shank rotation | SX / LH |
| Output spindle rotation | DX / RH |
| Transmission ratio | 1:1 |
| Max speed | 4000 rpm |
| Torque | 35 Nm |
| Max axial load | 1200 N |
| Weight | 10.5 Kg |
| Grease lubricated | Kluber Isoflex NBU 15 |
OPTIONS
STANDARD EQUIPMENT
| ER32 collet DIN 6499/B | 411232.100 |
| Tapping collet ET-1-32 with compensation | 401232.200 |
| Tapping collet ER32 with square | 411232.200 |
| Weldon spindle type | |
| ABS license Komet spindle type | |
| DIN 69893-HSK spindle type | |
| Pin pitch 80 mm |
| Standard stop-block | 311201.025 |
| ER nut | |
| Clamping wrench | |
| Grease tube | |
| Storage case |
