Our site use cookies. If you continue to browse, you agree to use them.

MPA

Heads configurator

Type

Input shank

Output tool-holder

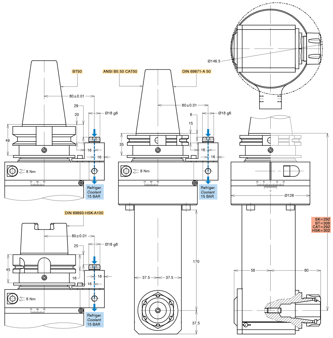
A32 SK-BT-CAT50 HSK100

Drilling

Ø20

Tapping

M14

Loading

ATC

TECHNICAL FEATURES

Type A32-SK50-E292 Code 124917.100-E292
Type A32-BT50-E306 Code 124932.100-E306
Type A32-CAT50-E292 Code 124993.100-E292
Type A32-HSK100-E302 Code 124938.100-E302
Tool-holder for collet ER 32
Input shank rotation SX / LH
Output spindle rotation DX / RH
Transmission ratio 1:1
Max speed 4000 rpm
Torque 35 Nm
Max axial load 350 N
Weight 16 Kg
Grease lubricated Kluber Isoflex NBU 15
OPTIONS

ER32 collet DIN 6499/B 411232.100
Tapping collet ET-1-32 with compensation 401232.200
Tapping collet ER32 with square 411232.200
Weldon spindle type  
ABS license Komet spindle type  
DIN 69893-HSK spindle type  
Pin pitch 110 mm  
STANDARD EQUIPMENT

Standard stop-block 311201.025
ER nut  
Clamping wrench  
Grease tube  
Storage case  
FaLang translation system by Faboba