Loading
ATC

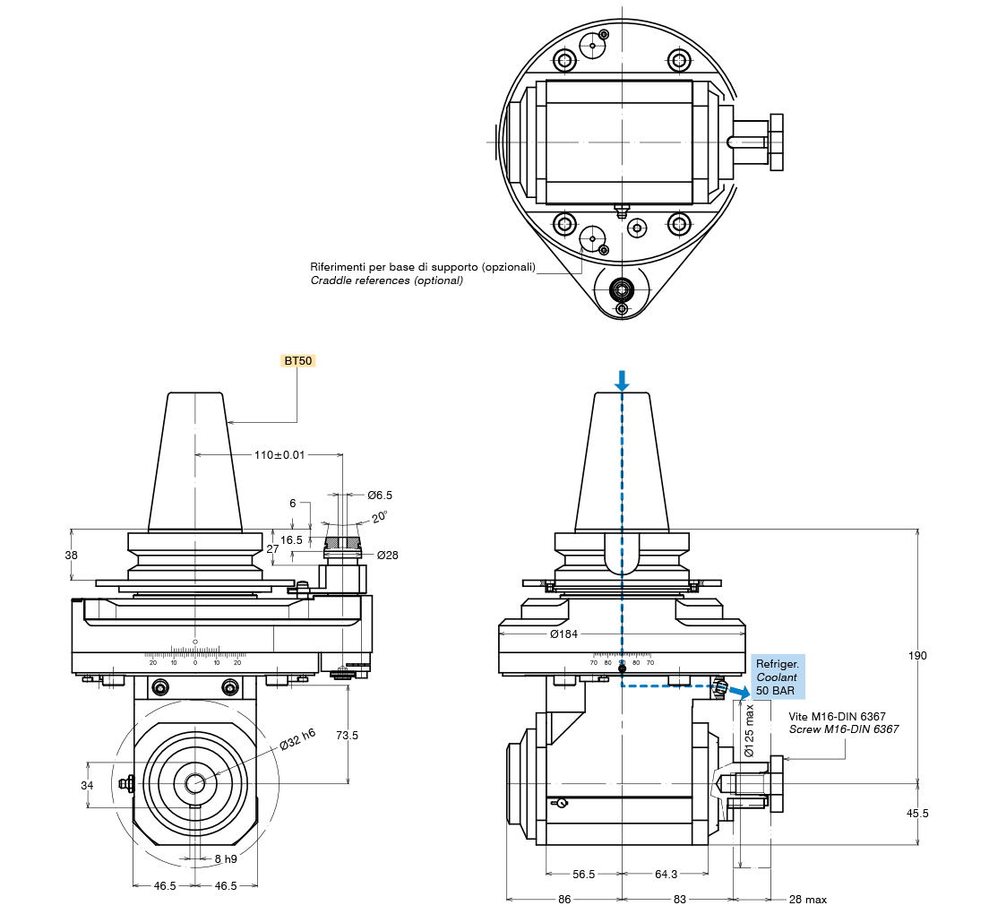
TECHNICAL FEATURES
| Type | AØ32-BT50 | Code | A242874.101 |
| Spindle tool-holder | Ø32 |
| Input shank rotation | SX / LH |
| Output spindle rotation | DX / RH |
| Transmission ratio | 1:1 |
| Max speed | 3000 rpm |
| Torque | 110 Nm |
| Max axial load | 1250 N |
| Weight | 22 Kg |
| Grease lubricated | Kluber Isoflex NBU 15 |
STANDARD EQUIPMENT
| Standard stop-block | 311201.026 |
| Storage case |
