Drilling
Ø16
Tapping
M12
Loading
ATC

TECHNICAL FEATURES
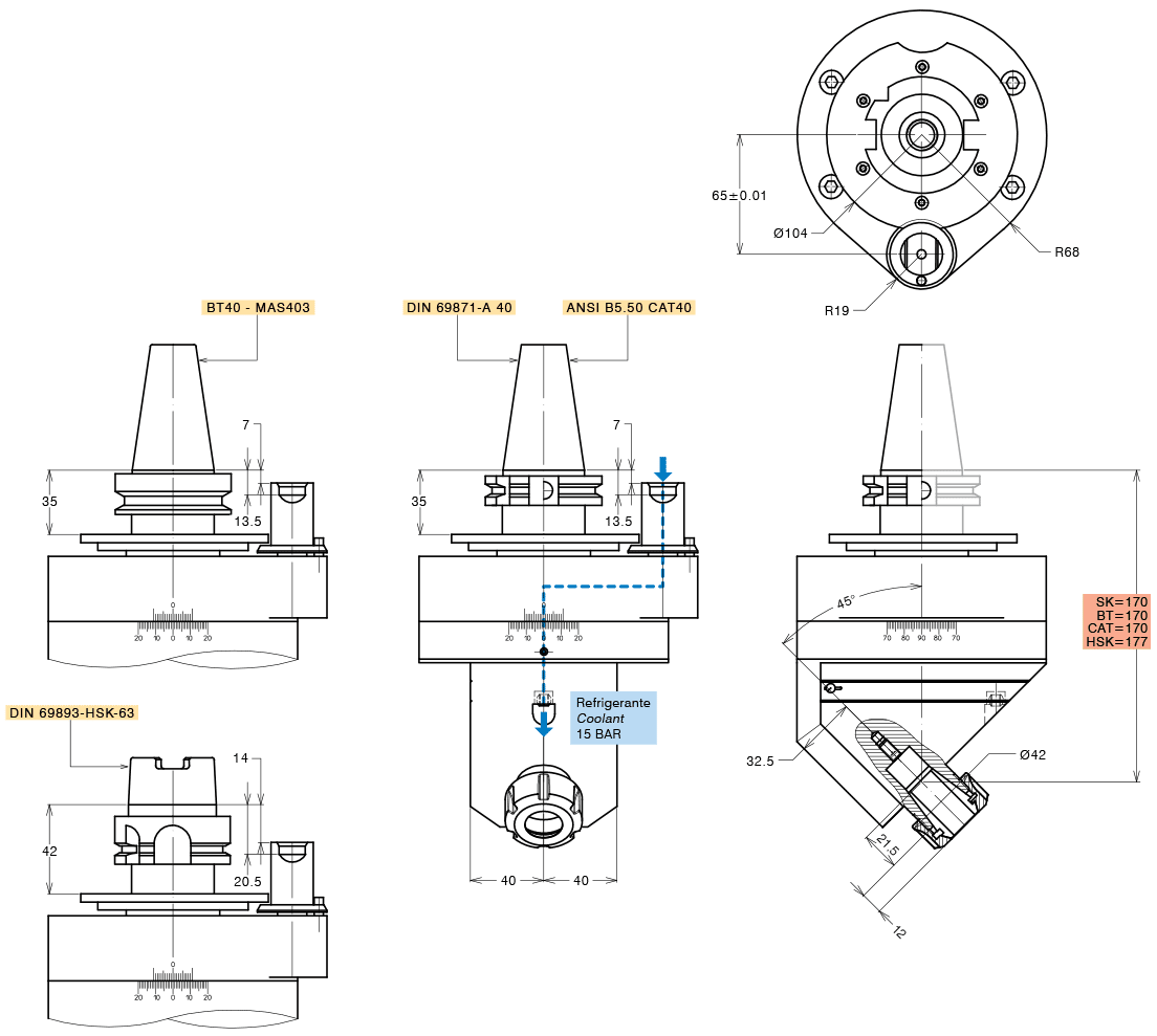
| Type | A25-SK40-45E | Code | 124915.100.45E |
| Type | A25-BT40-45E | Code | 124931.100.45E |
| Type | A25-CAT40-45E | Code | 124985.100.45E |
| Type | A25-HSK63-45E | Code | 124944.100.45E |
| Tool-holder for collet | ER 25 |
| Input shank rotation | SX / LH |
| Output spindle rotation | DX / RH |
| Transmission ratio | 1:1 |
| Max speed | 6000 rpm |
| Spindle max power | 3 Kw |
| Max axial load | 2200 N |
| Grease lubricated | Kluber Isoflex NBU 15 |
OPTIONS
STANDARD EQUIPMENT
| ER25 collet DIN 6499/B | 411225.100 |
| Tapping collet ET-1-25 with compensation | 401225.200 |
| Tapping collet ER25 with square | 411225.200 |
| Weldon spindle type | |
| ABS license Komet spindle type | |
| DIN 69893-HSK spindle type | |
| Pin pitch 80 mm |
| Standard stop-block | 311201.025 |
| ER nut | |
| Clamping wrench | |
| Grease tube | |
| Storage case |
