Drilling
Ø26
Tapping
M20
Loading
ATC

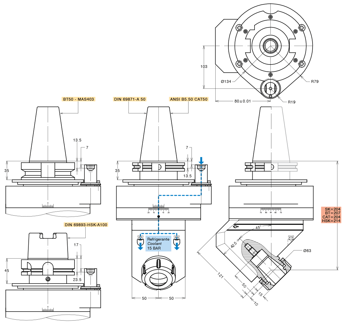
TECHNICAL FEATURES
| Type | A40-SK50-45E | Code | 124982.100.45E |
| Type | A40-BT50-45E | Code | 124984.100.45E |
| Type | A40-CAT50-45E | Code | 124983.100.45E |
| Type | A40-HSK100-45E | Code | 124992.100.45E |
| Tool-holder for collet | ER 40 |
| Input shank rotation | SX / LH |
| Output spindle rotation | DX / RH |
| Transmission ratio | 1:1 |
| Max speed | 5000 rpm |
| Spindle max power | 6 Kw |
| Max axial load | 2500 N |
| Grease lubricated | Kluber Isoflex NBU 15 |
OPTIONS
STANDARD EQUIPMENT
| ER40 collet DIN 6499/B | 411240.100 |
| Tapping collet ET-1-40 with compensation | 401240.200 |
| Tapping collet ER40 with square | 411240.200 |
| Weldon spindle type | |
| ABS license Komet spindle type | |
| DIN 69893-HSK spindle type | |
| Pin pitch 110 mm |
| Standard stop-block | 311201.025 |
| ER nut | |
| Clamping wrench | |
| Grease tube | |
| Storage case |
