Drilling
Ø16
Tapping
M12
Loading
ATC

TECHNICAL FEATURES
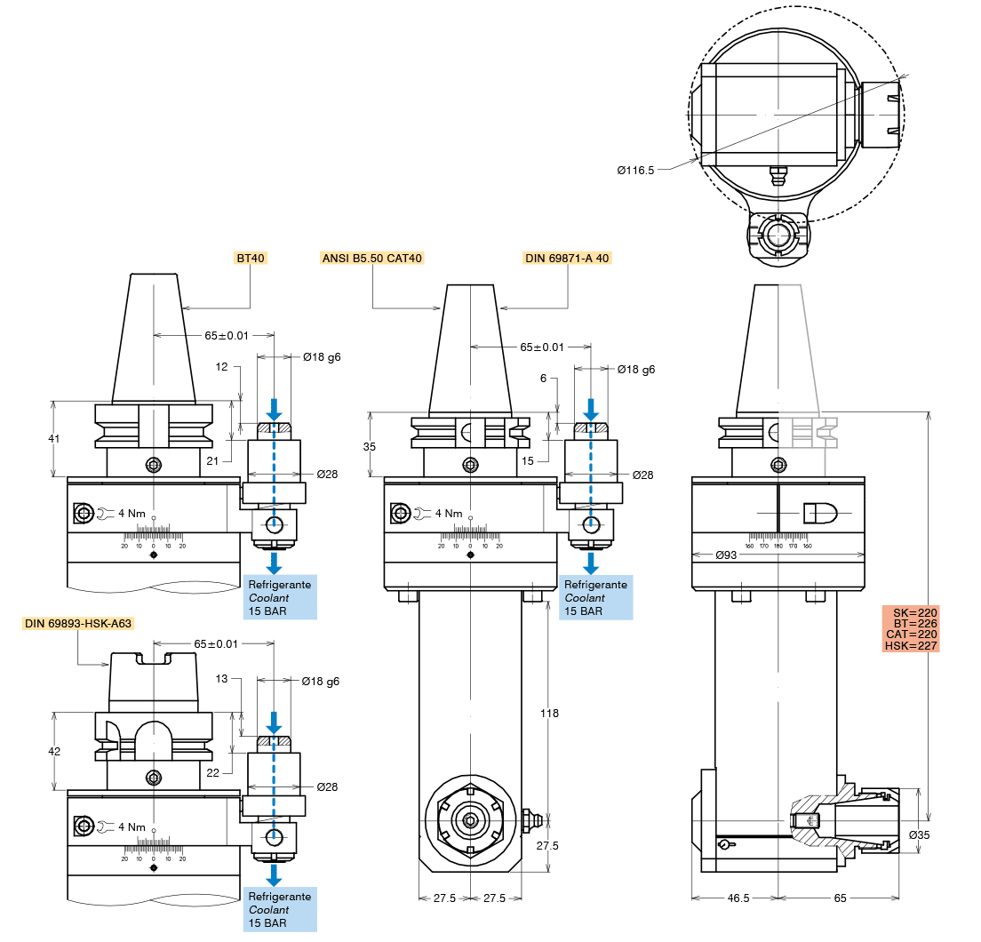
| Type | A25-SK50-E246 | Code | 124916.100-E246 |
| Type | A25-BT50-E260 | Code | 124934.100-E260 |
| Type | A25-CAT50-E246 | Code | 124994.100-E246 |
| Type | A25-HSK100-E256 | Code | 124945.100-E256 |
| Tool-holder for collet | ER 25 |
| Input shank rotation | SX / LH |
| Output spindle rotation | DX / RH |
| Transmission ratio | 1:1 |
| Max speed | 6000 rpm |
| Torque | 20 Nm |
| Max axial load | 450 N |
| Weight | 11.3 Kg |
| Grease lubricated | Kluber Isoflex NBU 15 |
OPTIONS
STANDARD EQUIPMENT
| ER25 collet DIN 6499/B | 411225.100 |
| Tapping collet ET-1-25 with compensation | 401225.200 |
| Tapping collet ER25 with square | 411225.200 |
| Weldon spindle type | |
| ABS license Komet spindle type | |
| DIN 69893-HSK spindle type | |
| Pin pitch 110 mm |
| Standard stop-block | 311201.025 |
| ER nut | |
| Clamping wrench | |
| Grease tube | |
| Storage case |
