Drilling
Ø26
Tapping
M20
Loading
ATC

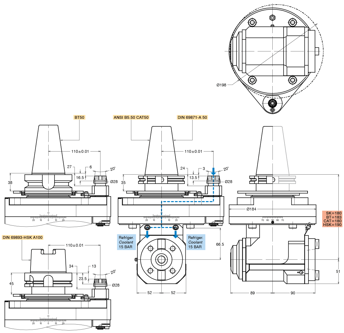
TECHNICAL FEATURES
| Type | A-ISO40-SK50 | Code | 124701.100 |
| Type | A-ISO40-BT50 | Code | 124702.100 |
| Type | A-ISO40-CAT50 | Code | 124703.100 |
| Type | A-ISO40-HSK100 | Code | 124704.100 |
| Spindle tool-holder | DIN 2079-40 |
| Input shank rotation | SX / LH |
| Output spindle rotation | DX / RH |
| Transmission ratio | 1:1 |
| Max speed | 3000 rpm |
| Torque | 110 Nm |
| Max axial load | 1250 N |
| Weight | 22.5 Kg |
| Grease lubricated | Kluber Isoflex NBU 15 |
OPTIONS
STANDARD EQUIPMENT
| Weldon spindle type | |
| Mill arbor |
| Standard stop-block | 311201.026 |
| Grease tube |
