Foratura
Ø20
Caricamento
ATC

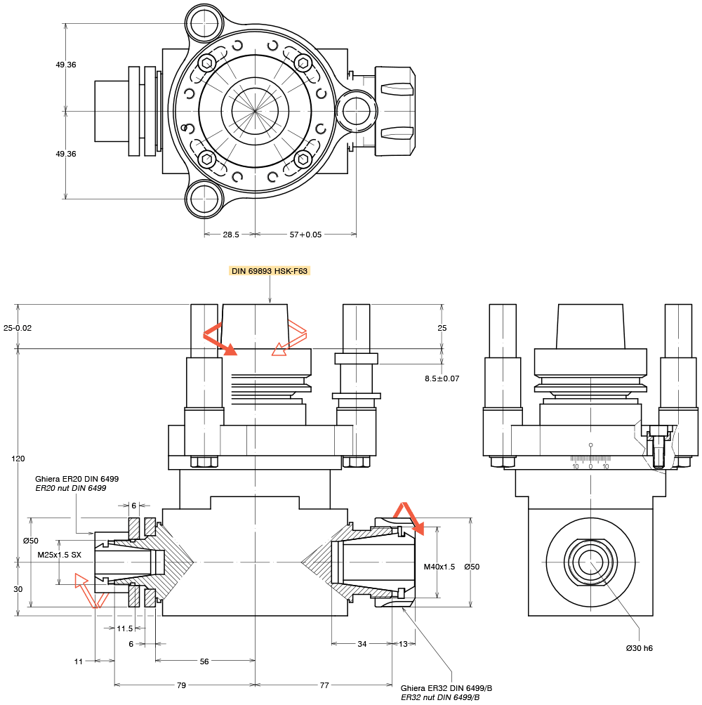
SPECIFICHE TECNICHE
| Codice | 239256.100 |
| Mandrino porta-utensile per pinza | ER 20/ER 32 |
| Rotazione cono | SX-DX / LH-RH |
| Rotazione mandrino | DX / RH |
| Rapporto di trasmissione | 1:1.5 |
| Velocità max | 15000 rpm |
| Lubrificazione a grasso | Kluber Isoflex NBU 15 |
OPZIONI
DOTAZIONE STANDARD
| Pinza ER20 DIN 6499/B | 411220.100 |
| Pinza ER32 DIN 6499/B | 411232.100 |
| Ghiera ER | |
| Chiave |
